經驗豐富完美服務

北京地區免費上門看現場!

北京消防改造電話

010-57113119
熱門:北京消防改造 北京噴淋改造 北京消火栓維修 北京辦公室消防改造 老舊小區消防改造 氣體滅火安裝 北京消防檢測 北京消防維保 消防設備安裝 防火門維修 煙感移位 海灣主機維修

聯系我們

  • 聯系人:郭經理
  • 傳真:010-69552656
  • 電話:400-0346-119
  • 電話:010-57113119
  • 郵箱:506665119@qq.com
  • 地址:北京通州區新華北路117號

利達火災報警設備

利達LD6800ED-1輸入輸出模塊 控制模塊

時間:2018-09-27 16:56:51  品牌: 利達

[!--oldtitle--]

 

    一、LD6800ED-1輸入輸出模塊概述

    LD6800ED-1采用單片機和智能軟件,特殊防潮技術、表面貼裝(SMT)生產工藝和插拔式結構設計,工作穩定可靠,具有較強的抗干擾能力。主要用于送風機、排風機、電梯、切斷電源、空調等設備的控制,可以與利達公司生產的E/EN/EL系列火災報警控制器配合使用。本產品無污染、功耗低,適用于各種工業及民用建筑。
     
    二、LD6800ED-1輸入輸出模塊技術特性
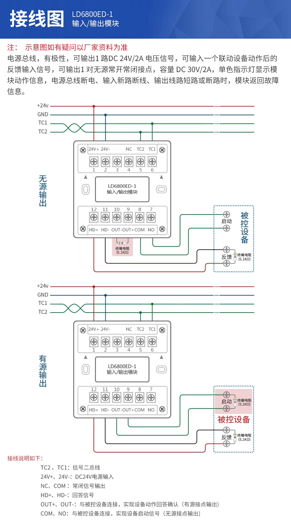
    ★二總線,無極性;
    ★ 電源總線,有極性;
    ★ 可輸出1路DC 24V/2A電壓信號;
    ★ 可輸入一個聯動設備動作后的反饋輸入信號;
    ★ 可輸出1 對無源常開常閉接點,容量DC 30V/2A;
    ★ 占一節點地址,采用電子編碼方式編址(0-255);
    ★ 單色指示燈顯示模塊動作信息;
    ★ 電源總線斷電、輸入新路斷線、輸出線路短路或斷路時,模塊返回故障信息。
     
    三、LD6800ED-1輸入輸出模塊主要技術指標
    電源總線電壓:DC 24V 
    二總線電壓:DC 18V
    輸出信號:有源(電壓)DC 24V/2A 
    輸入信號:無源開關量信號輸入
    工作環境溫度:-40℃~+55℃ 
    工作環境相對濕度:≤95%((40±2)℃,無凝露)
    輸出動作指示燈:輸出動作時紅色常亮
    輸入動作指示燈:輸入動作時紅色常亮
     
    四、LD6800ED-1輸入輸出模塊工作原理
    LD6800ED-1輸入/輸出模塊與E/EN/EL系列火災報警控制器配合使用。LD6800ED-1輸入/輸出模塊通過二總線與E/EN/EL系列控制器連接,控制器通過二總線查詢模塊節點狀態、設置模塊節點參數、控制模塊啟動輸出;模塊實時檢測輸入信號、輸入/輸出線路狀態,當出現反饋輸入或者輸入/輸出線路故障時,模塊通過二總線上傳反饋或者故障信號。

億杰消防在線客服

關閉
010-57113119

地址:北京通州區新華北路117號

手機:13366405483

電話:010-57113119

郵箱:506665119@qq.com

在線客服