經驗豐富完美服務

北京地區免費上門看現場!

北京消防改造電話

010-57113119
熱門:北京消防改造 北京噴淋改造 北京消火栓維修 北京辦公室消防改造 老舊小區消防改造 氣體滅火安裝 北京消防檢測 北京消防維保 消防設備安裝 防火門維修 煙感移位 海灣主機維修
火災報警

聯系我們

  • 電話:010-57113119
  • 郵箱:506665119@qq.com
  • 地址:北京通州區新華北路117號
  • 消防知識

    安可信JTQ-AEC2232dX有毒有害氣體檢測報警儀接線圖

    來源:北京消防檢測  時間:2018-10-11 13:38:16

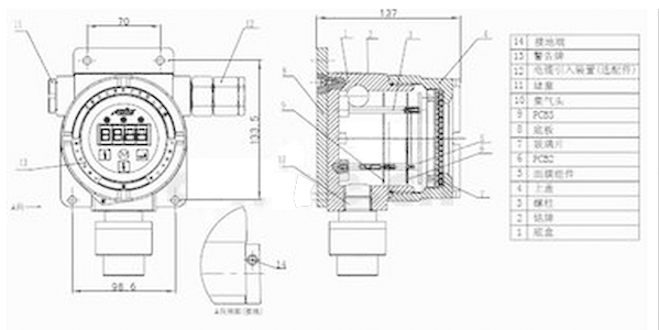
     結構圖:

    JTQ-AEC2232dX有毒有害氣體檢測報警儀結構圖

      接線圖:

    JTQ-AEC2232dX有毒有害氣體檢測報警儀接線圖

    億杰消防在線客服

    關閉
    010-57113119

    地址:北京通州區新華北路117號

    手機:13366405483

    電話:010-57113119

    郵箱:506665119@qq.com

    在線客服