經驗豐富完美服務

北京地區免費上門看現場!

北京消防改造電話

010-57113119
熱門:北京消防改造 北京噴淋改造 北京消火栓維修 北京辦公室消防改造 老舊小區消防改造 氣體滅火安裝 北京消防檢測 北京消防維保 消防設備安裝 防火門維修 煙感移位 海灣主機維修
火災報警

聯系我們

  • 電話:010-57113119
  • 郵箱:506665119@qq.com
  • 地址:北京通州區新華北路117號
  • 消防知識

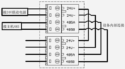
    泰和安TX3502總線操作盤布線要求

    來源:  時間:2019-11-20 16:31:48

    1、RS485線采用RVS雙絞線,截面積≥1.0mm2;

    2、電源線采用截面積≥1.5mm2的阻燃線;

    3、導線應有顏色標識,以防接錯。

    4、接線示意圖如圖所示:

    TX3502總線操作盤接線示意圖

    億杰消防在線客服

    關閉
    010-57113119

    地址:北京通州區新華北路117號

    手機:13366405483

    電話:010-57113119

    郵箱:506665119@qq.com

    在線客服